螺旋輸送機概述
GX型螺旋輸送機是利用螺旋轉動將物料沿機殼連續推移而進行輸送的。本機具有結構簡單,外形尺寸小,成本低,操作安全,能按工藝要求滿足多點進料和排料。 
螺旋輸送機技術參數
| 規 格 | 主要技術性能 | 驅動裝置 | 驅動裝置 | 重量 (kg) | ||||
| 直徑 | 長度 (m) | 產量 (水泥) t/h | 轉速 min-1 | 減速機 | 電動機 | |||
| 型號 | 速比 | 型號 | 功率 (kw) | |||||
| GX200 | -10 | 9 | 60 | JZQ250 | 23.34 | Y90S-4 | 1.1 | 726 |
| GX200 | -20 | 9 | 60 | JZQ250 | 23.34 | Y90L-4 | 1.5 | 1258 |
| GX250 | -10 | 15.6 | 60 | JZQ250 | 23.34 | Y100L2-4 | 2.2 | 960 |
| GX250 | -20 | 15.6 | 60 | JZQ250 | 23.34 | Y100L1-4 | 3 | 1750 |
| GX300 | -10 | 21.2 | 60 | JZQ350 | 23.34 | Y100L2-4 | 3 | 1373 |
| GX300 | -20 | 21.2 | 60 | JZQ350 | 23.34 | Y112M-4 | 4 | 2346 |
| GX400 | -10 | 51 | 60 | JZQ400 | 23.34 | Y132S-4 | 5.5 | 1911 |
| GX400 | -20 | 51 | 60 | JZQ500 | 23.34 | Y160M-4 | 11 | 2049 |
| GX500 | -10 | 87.5 | 60 | JZQ400 | 23.34 | Y132M-4 | 7.5 | 2381 |
| GX500 | -20 | 87.5 | 60 | JZQ650 | 23.34 | Y180M-4 | 18.5 | 5389 |
| GX600 | -10 | 134.2 | 45 | JZQ750 | 23.34 | Y180L-4 | 22 | 3880 |
| GX600 | -10 | 134.2 | 45 | JZQ850 | 23.34 | Y250M-4 | 55 | 7090 |
螺旋輸送機制法和裝法說明
GX螺旋機按使用場合要求的不同,分為S制法和D制法兩種。S制法一帶有實體螺旋面的螺旋,其螺距等于直徑。
D制法一帶有帶式螺旋面的螺旋,其螺距等于直徑。
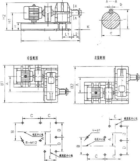
GX螺旋機按驅動裝置裝配方法的不同,分為右裝和左裝兩種:
右裝一站在電動機尾部向前看,減速器低速軸在電動機的右側。
左裝一站在電動機尾部向前看,減速器低速軸在電動機的左側。
GX螺旋機的出料口有方形出料口、手推式出料口和齒條式出料口三種。后兩種出料口拉板的開閉方向,隨安裝不同而分右裝、左裝兩種:
右裝一站在螺旋機頭節往尾節看,拉板向右拉開。
左裝一站在螺旋機頭節往尾節看,拉板向左拉開。
四、安裝尺寸及長度組合:
(一)外形及安裝尺寸:
螺旋輸送機長度
| 螺旋直徑 D | A | B | C | E | F | G | H | K | J | M | N | Q | P | R | T | X | Z | a | f | I | b (hs) | t |
| 200 | 342 | 384 | 180 | 80 | 140 | 200 | 18 | 25 | 20 | 200 | 200 | 153 | 220 | 110 | 60 | 123 | 150 | 205 | 195 | 80 | 12 | 43.5 |
| 250 | 392 | 464 | 220 | 140 | 200 | 260 | 20 | 28 | 25 | 200 | 200 | 183 | 270 | 135 | 70 | 125 | 180 | 237 | 225 | 100 | 16 | 55 |
| 300 | 468 | 555 | 270 | 160 | 240 | 320 | 22 | 28 | 25 | 200 | 200 | 213 | 300 | 160 | 75 | 130 | 210 | 264 | 250 | 120 | 18 | 65.5 |
| 400 | 572 | 685 | 340 | 220 | 320 | 400 | 22 | 30 | 35 | 300 | 300 | 273 | 350 | 210 | 90 | 145 | 270 | 325 | 310 | 160 | 24 | 87 |
| 500 | 706 | 823 | 400 | 300 | 400 | 500 | 30 | 35 | 40 | 300 | 300 | 333 | 450 | 264 | 100 | 165 | 330 | 393 | 375 | 200 | 28 | 108 |
| 600 | 806 | 973 | 500 | 400 | 500 | 600 | 30 | 40 | 40 | 300 | 300 | 383 | 550 | 314 | 110 | 170 | 380 | 433 | 415 | 240 | 32 | 129 |
注:1、螺旋機輸送長度及尺寸L均見表二、表三。 2、圖n×500為蓋板卡子尺寸,n值視螺旋機長度而定。 3、圖中尺寸p為進出料口中心線。
(二)進出料口裝置
1、進料口
| 螺旋直徑 D | A | B | C | C1 | t | d | 重 量 kg | 圖 號 |
| 200 | 220 | 306 | 272 | 100 | 3 | 9 | 3.64 | GX20·10·00 |
| 250 | 270 | 356 | 330 | 120 | 3 | 9 | 4.80 | GX25·10·00 |
| 300 | 320 | 428 | 386 | 140 | 4 | 13 | 8.88 | GX30·10·00 |
| 400 | 420 | 528 | 492 | 160 | 4 | 13 | 12.42 | GX40·10·00 |
| 500 | 528 | 662 | 612 | 160 | 4 | 17 | 16.56 | GX50·10·00 |
| 600 | 628 | 762 | 720 | 180 | 4 | 17 | 21.20 | GX60·10·00 |
| 螺旋直徑 D | A | B | C | C1 | E | t | d | 重 量 kg | 圖 號 |
| 200 | 226 | 312 | 272 | 165 | 8 | 3 | 9 | 4.36 | GX20·11·00 |
| 250 | 276 | 374 | 330 | 195 | 10 | 4 | 9 | 7.52 | GX25·11·00 |
| 300 | 328 | 426 | 386 | 225 | 10 | 4 | 13 | 9.36 | GX30·11·00 |
| 400 | 428 | 536 | 492 | 280 | 10 | 4 | 13 | 14.28 | GX40·11·00 |
| 500 | 536 | 670 | 612 | 340 | 15 | 4 | 17 | 26.14 | GX50·11·00 |
| 600 | 636 | 774 | 720 | 430 | 15 | 6 | 17 | 39.20 | GX60·11·00 |
| 驅動裝置 | 電動機 | 減速器 型 號 | A | B | C | D | E | n-d1 | H | H1 | K | L | L1 | B1 | b | t | d | 重量 kg | |
| 功率 kw | 轉速 min-1 | ||||||||||||||||||
| Ⅰ | 1.1 1.5 2.2 3 | 1410 1410 1430 1430 | JZQ250 | 250 | 320 | 332 | 277 | 190 | 8-M12 | 120 | 280 | 14.5 | 826.5 826.5 826.5 826.5 | 135 | 622 | 18 | 63 | 55 | 197.4 202.4 212.2 217.2 |
| Ⅱ | 2.2 3 4 5.5 7.5 10 | 1430 1430 1440 1440 1450 1450 | JZQ350 | 350 | 400 | 440 | 360 | 250 | 8-M12 | 140 | 340 | 14.5 | 1042.5 1042.5 1042.5 1042.5 1043.5 1087.5 1119.5 | 165 | 821 821 821 821 838 838 | 18 | 63 | 55 | 315 320 334.2 334.2 366.2 383.3 |
| Ⅲ | 4 5.5 7.5 10 13 17 | 1440 1400 1450 1450 1460 1460 | JZQ400 | 400 | 400 | 470 | 450 | 460 | 8-M16 | 160 | 410 | 17.5 | 1155.5 1155.5 1155.5 1155.5 1187.5 1206.5 1244.5 | 180 | 956 956 968 968 984 984 | 28 | 93 | 80 | 590.8 600.8 623.2 638.2 |
| Ⅳ | 4 5.5 7.5 10 | 1140 1140 1450 1450 | JZQ500 | 500 | 450 | 560 | 570 | 310 | 9-M16 | 180 | 480 | 17.5 | 1338.5 1338.5 1338.5 1338.5 | 200 | 1196 1196 1196 1196 | 28 | 93 | 80 | 590.8 600.8 623.2 623.8 |
| Ⅴ | 13 17 22 30 | 1460 1460 1470 1470 | JZQ500 | 500 | 450 | 560 | 570 | 310 | 9-M16 | 180 | 480 | 17.5 | 1338.5 324.5 1412.5 1437.5 | 200 | 1199 1199 1253 1253 | 28 | 93 | 80 | 671.4 696.4 789.3 894.3 |
| Ⅵ | 7.5 10 13 17 22 30 40 | 1450 1450 1460 1460 1470 1470 1470 | JZQ650 | 650 | 500 | 700 | 650 | 410 | 9-M16 | 180 | 500 | 17.5 | 1670.5 1670.5 1670.5 1670.5 1670.5 1672.5 1738.5 1776.5 | 265 | 1373 1373 1373 1373 1405 1405 1425 1425 | 36 | 127 | 110 | 1047.1 1089.7 1126.1 1150.1 1214.6 1279.6 1365.9 1450.9 |
| Ⅶ | 22 30 40 | 1470 1470 1470 | JZQ750 | 750 | 500 | 720 | 725 | 450 | 9-M16 | 180 | 500 | 17.5 | 1710.5 1710.5 1778.5 1816.5 | 285 | 1551 1551 1571 1571 | 36 | 127 | 110 | 1530.4 1545.4 1651.7 1736.7 |
| Ⅷ | 22 30 55 75 | 1470 1470 1470 1470 | JZQ850 | 850 | 550 | 800 | 825 | 520 | 9-M20 | 200 | 600 | 17.5 | 1910.5 1910.5 2042 2093 | 325 | 1706 1706 1771 1771 | 36 | 147 | 130 | 2035.4 2050.4 2454.5 2525.4 |
蘇公網安備 32062102000184號